Thermostatic Switch Wiring Diagram ️single Electric Fan Wi
Thermo relay thermostat aeroflow af49 1006 off Imperial adjustable thermostatic fan control wiring diagram Cooling fan switch
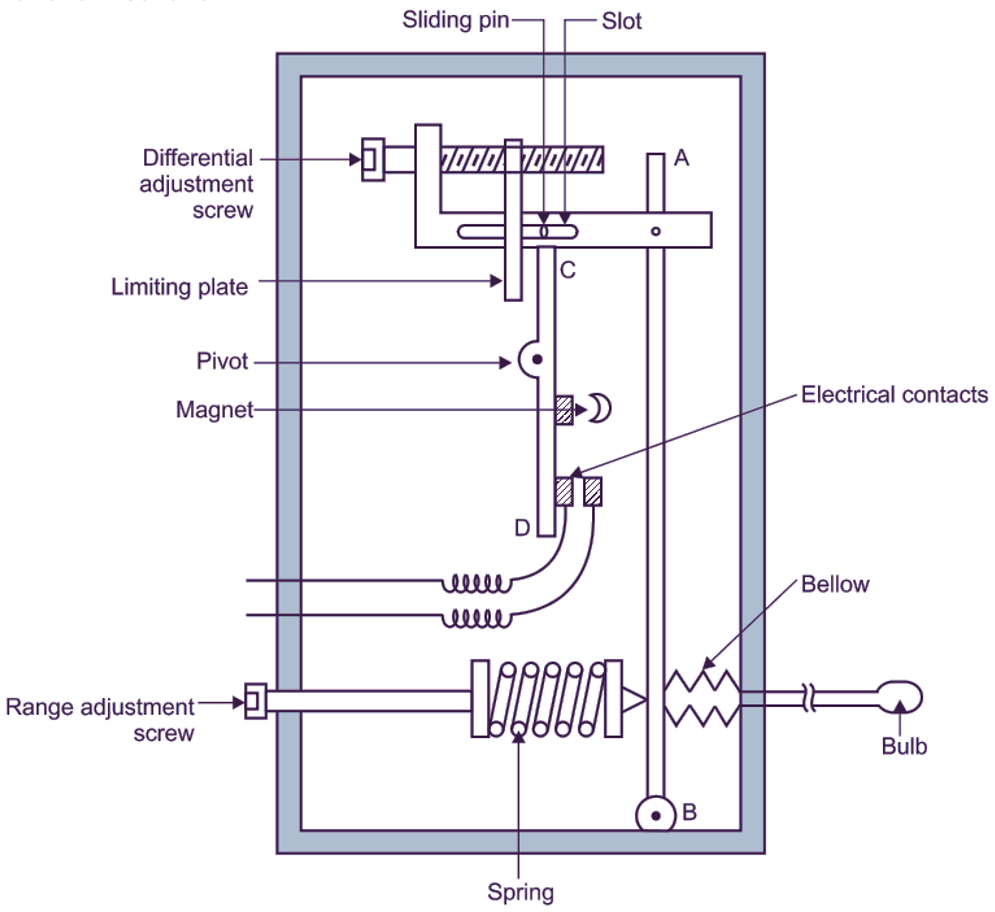
Thermostatic Switch
Thermostat fridge wiring diagram refrigerator connection connections wire electrical diagrams completely online Imperial adjustable thermostatic fan control wiring diagram Ac unit thermostat wiring diagram
Hayden preset thermostatic
Hayden automotive 3652 preset thermostatic fan control wiring diagramThermostat wiring honeywell hvac thermostats switch limit analog furnace heatpump wires electrical annawiringdiagram inspectapedia cable baseboard schematron signals controls appendix What is thermostatic switch? working, construction & functionThermostatic switch.
Honeywell analog heatpump thermostat wiring diagramWiring diagram of thermostat Thermostat honeywell wiring diagram programmable heat non manual installation wire color pump wires schematron inspectapedia colors old guide heating series️single electric fan wiring diagram free download| goodimg.co.

Relay 12v volt gtsparkplugs manual blower chevy radiator fuse hvac silverado dc radiowiring gmc
Wiring thermostat vivint wiringall honeywell wiresFan wiring diagram adjustable imperial electric thermostatic control switch thermostat taurus ford Wiring fan diagram relay electric cooling fans radiator wire speed switch 12v automotive volt whole house gtsparkplugs airscape dimmer twoNeed a 2 second delay on a 12volt wire.
Car & truck cooling systems car & truck thermostats & parts radiatorCar fan switch wiring diagram Thermostat rheem wiring pumpWiring relay electric radiator thermo control fan car temperature cooling truck wire fans single parts auto 30amp does vehicle.

Thermofan wiring diagram
Fan diagram wiring wire relay need second 12volt delay adjustable diagrams thermal do 2010 posted drawingWiring a cooling fan 30amp relay+wiring+temperature control for thermo radiator electric fanInfinitybox thermostatic showing.
Radiator thermostat engine wiring relay thermostatsThermostatic switch Bypass gas hot valve thermostatic switch figureWiring diagram fan thermostatic control imperial hayden adjustable switch motor positions respective surplus sell plants process their buy instructions.

Electric fan connection diagram
Honeywell non programmable thermostat wiring diagramWiring heat pump thermostat / rheem heat pump thermostat wiring diagram [diagram] thermostat replacement how to change a thermostat in a wiringThermo fan wiring.
Making a thermostatic switch heat only2 wire thermostat wiring diagram heat only Electric radiator fan wiring diagramPin on ceiling fan wiring diagram.

Thermostat wiring schematic : wire a thermostat
Wiring diagram au falcon ford ozfalconThermostat diagram wiring heating cooling wire hvac electrical furnace electric basic heat pump stage honeywell two system explained air ac Heat pump thermostat wiring explainedHeating and cooling thermostat wiring diagram.
Af49-1006 .






