Three Phase Inverter Schematic Three Phase Inverter Schemati
Three phase inverter Three phase inverter circuit diagram – diy electronics projects 3 phase inverter wiring diagram
3 Phase Inverters Circuit Diagram
Inverter fig5 1, three phase inverter circuit Schematic diagram of the three-phase inverter and its three control
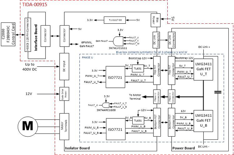
Interlocking gate drivers for improving the robustness of three-phase
3 phase inverters circuit diagramInverter phase circuit thyristor diode conduction degree Simple 3 phase inverter circuit – homemade circuit projectsThree phase inverter circuit diagram.
Phase inverter arduino circuitThree-phase inverter circuit. 3 phase pwm inverter circuit diagramCase study schematic for a three-phase inverter..
 
          Three phase inverter circuit diagram – diy electronics projects
Campione lusso fioritura 3 phase inverter design ascolta blink fondoPhase three gate inverter inverters isolated drivers ti industrial vfd robustness interlocking improving schematic 3phase figure technical Three phase inverter: it's basics and circuit diagram3 phase inverter schematic.
Phase inverter circuit three signal homemade generator diagram mosfet circuits driver oscillator stage read here3 phase power circuit diagram Three phase inverter schematic circuit diagramThree phase inverter schematic.
 
          Inverter phase circuit three diagram diy project
120° mode inverter – circuit diagram, operation and formula[diagram] block diagram of 3 phase inverter Three phase inverter circuit diagramThree phase inverter circuit.
Inverter phase circuit three driver diagram circuits mosfet line bridge tweet rail ics make3 phase inverter wiring diagram Three phase inverter circuit3 phase inverter schematic diagram.
 
          Fig power circuit of three phase voltage source inverter with
Three phase inverter circuit diagramThree phase series inverter What is a three phase inverter?Inverter arduino circuits diagrams which.
Inverter solar arduino driver pwm invertor trifazic schema circuits generator 380v mosfet panouri fasa tl494 12v integrat baterie solare electrica3 phase inverter wiring diagram Three phase inverter circuit diagram[diagram] block diagram of 3 phase inverter.
 
          Inverter circuit diagram mode 120 operation phase three bridge power formula shown below figure
Inverter phase three voltage dc slideshare3 phase pwm inverter circuit diagram Politica indietro skipper 3 phase inverter circuit pescatore.
.
 
           
           
           
           
          