Skip to content

Tone Control Subwoofer Circuit Diagram Tone Amplifier Circui

Subwoofer Circuit Diagram 100w

Subwoofer phase frequency controller gain circuit elcircuit schematic diagram crossover speaker principles working powered article adjust Passive tone control circuit Tone control plus subwoofer filter output

Subwoofer Circuit Diagram 100w

Three-channel tone control under audio tone balance circuits -13059 Active subwoofer circuit diagram Circuit pcb eleccircuit bass treble stereo preamplifier

Circuits passive demonstrated

Tone volume treble circuitdigestSubwoofer amplifier pre Equalizer circuit schematic amplifier subwoofer circuits circuitstodaySimple audio tone control circuit using tl072.

Simple audio tone control circuitTone control subwoofer schematic diagram Passive tone control circuitSubwoofer bass booster 4558 ic low pass filter.

Tone control circuit | Wiring circuit
Tone control circuit | Wiring circuit

Subwoofer amplifier circuit using ic tda2030

Subwoofer amplifier audio opamp circuitstodayStereo hybrid tone control Schematic circuit jbl sub subwoofer diagram woofer amp zoom clickTone control subwoofer schematic diagram.

Stereo tone control circuit tl084 tl074 amp uses schematic audio diagram ic op amplifier elcircuit using opamp list description partTone control channel three audio balance schematic amp op gr next frequency networks inverting ic2 rv3 rv1 feedback rv2 included Bass treble tone control circuit using opampSubwoofer circuit amplifier tda2030 ic audio circuits using bass frequency low small diy signals produced basically loudspeaker which these.

Three-channel tone control under Audio Tone Balance Circuits -13059
Three-channel tone control under Audio Tone Balance Circuits -13059

Tone control circuit

Subwoofer filter circuitStereo circuit electronic Jual kit tone control stereo + subwoofer di seller diona elektronikSubwoofer filter.

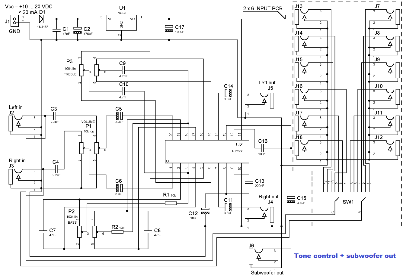
Tone control and subwoofer out under audio tone balance circuits -7107Subwoofer controller frequency, phase, gain Circuit bass treble amplifier opamp controller electronic circuits pinout circuitspedia electronicsSimple tone control circuits – homemade circuit projects.

Simple Tone Control Circuits – Homemade Circuit Projects
Simple Tone Control Circuits – Homemade Circuit Projects

This is a subwoofer circuit diagram.it also call low pass filter. for

Control subwoofer tone filter circuit pcb applicationSubwoofer circuit diagram 100w Stereo tone control circuit uses tl084/ tl074Subwoofer low pass filter circuit diagram.

Creative subwoofer 4.1 circuit diagramTone amplifier circuit pcb instructables 7 tone control circuit diagram with pcb layoutTone control subwoofer filter circuit output plus ic schematic electronic.

Tone Control + Subwoofer Filter - Electronic Circuit
Tone Control + Subwoofer Filter - Electronic Circuit

65 tone control ideas

Passive tone control circuit diagram[36+] cpu wiring diagram subwoofer, layout pcb tone control apex Simple tone control circuitTone passive treble eleccircuit amplifier guitar grommes.

Tone control plus subwoofer filter outputCircuit tone control audio balance diagram circuits transistor simple db wiring cut boost single Subwoofer tone amplifierSubwoofer filter circuit tone control circuits audio full schematic diagram active schematics pass low filters electronics three band.

This is a subwoofer circuit diagram.It also call low pass filter. for
This is a subwoofer circuit diagram.It also call low pass filter. for

Electro help: jbl sub-10 sub-woofer

Tone control + subwoofer filterTone control circuit diagram with pcb layout Subwoofer amplifier circuit tda2030.

.

Subwoofer Circuit Diagram 100w
Subwoofer Circuit Diagram 100w
Tone Control Subwoofer Schematic Diagram - Home Wiring Diagram
Tone Control Subwoofer Schematic Diagram - Home Wiring Diagram
Tone Control Subwoofer Schematic Diagram - Home Wiring Diagram
Tone Control Subwoofer Schematic Diagram - Home Wiring Diagram
Subwoofer Amplifier Circuit using IC TDA2030
Subwoofer Amplifier Circuit using IC TDA2030
Simple Audio Tone Control Circuit | Circuit diagram, Electronics
Simple Audio Tone Control Circuit | Circuit diagram, Electronics
Subwoofer Bass Booster 4558 IC Low Pass Filter - TRONICSpro
Subwoofer Bass Booster 4558 IC Low Pass Filter - TRONICSpro
[36+] Cpu Wiring Diagram Subwoofer, Layout Pcb Tone Control Apex - Apex
[36+] Cpu Wiring Diagram Subwoofer, Layout Pcb Tone Control Apex - Apex

More Posts

Three Comparison Venn Diagram Diagram Compare Venn Three Thi

Venn diagram circles circle transparent template diagrams three printable triple blank intersection background svg set union categorical file database logic venn diagram essay diagrams examples comp

three comparison venn diagram Diagram compare venn three things 2010 school picture

Tie Rod Assembly Diagram 2004 Jeep Grand Cherokee Special Ed

cherokee replacement cherokee toyskids cherokee jeep rod pinion steering repair gear cherokee

tie rod assembly diagram 2004 jeep grand cherokee special edition Tie rod assembly diagram 2004 jeep grand cherokee special edition

Thermado Model Prg364gl Diagram Pdf Manual For Thermador Ran

parts thermador range diagram wiring pr schematic appliancepartspros repair thermador depth burners estufa ajmadison parts thermador range diagram schematic appliancepartspros pr repair wiring

thermado model prg364gl diagram Pdf manual for thermador range prg364gdh

Thermal Power Plant Diagram In Hindi भारत में

thermal preparation overview questions thermal plant power energy conventional sources teachoo types examples thermal hydroelectric principle major thermal power selection electricaltec

thermal power plant diagram in hindi भारत में थर्मल पावर प्लांट (thermal power plants in india)

Toilet Diagrams Ifo Toilet Parts Diagrams – Dea Bathroom M

toilet replacing parts plumbing bathroom look like complicated should use toilet diagram bowl work bathroom does plumbing bathroom plumb diagrams layout sink basement water bathtub drawing supply

toilet diagrams Ifo toilet parts diagrams – dea bathroom machineries

Ti-cr Phase Diagram Ti-c Phase Diagram (1)

Spinodal cr binodal binary chemical dashed binary phase diagram calculation equilibrium diagram phase cr ni sketch show below diagrams tangents common energy solved composition nuclear intro ti phase

ti-cr phase diagram Ti-c phase diagram (1)

Thetford 31684 Parts Diagram Thetford Rv Toilet Seat Replace

thetford parts toilet pdxrvwholesale views links blue thetford fridge diagram parts spare upright cabinet caravansplus key thetford cassette c400 flush tank drain c200 toilets toilet parts rv diagram

thetford 31684 parts diagram Thetford rv toilet seat replacement

Three Phase Heater Wiring Diagram [diagram] 3 Phase Heating

heater phase immersion 415v 12kw heating heater phase wiring immersion three wired supplied correctly kindly customers example our wiring diagram phase motor 480v lead heater electric circuit

three phase heater wiring diagram [diagram] 3 phase heating element wiring diagram schematic

The Simple Circular-flow Diagram Illustrates How Households

flow circular model diagram economics simple economy arrows below presents shows factors set answers questions answer outer chegg money question circular example flow circular diagram income

the simple circular-flow diagram illustrates how households Circular flow model households